Il s'agit de commander une bobine à noyau magnétique, par un hacheur quatre quadrants, en vue de maintenir en lévitation un objet aimanté.
On contrôle la distance de lévitation à l'aide d'un microcontrôleur dspic 16 bits.
La mesure du champ implique l'utilisation d'une sonde à effet Hall.
La supervision à distance de ce système se fait, via d'une liaison Bluetooth, à l'aide d'un PocketPC, d'un téléphone Java Midlet ou d'un PC pour lequel nous avons développé un logiciel de rappatriement des données en temps réel.
Il offre la possibilité de changer les paramètres du régulateur numérique et la référence, à la volée.
Un affichage graphique montre l'évolution des grandeurs.
Détails :
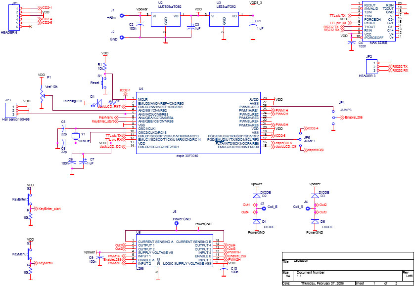
L'objet de notre étude se compose d'une bobine à noyau de fer (un boulon ferromagnétique qui la maintient au support). Elle comporte N spires parcourues par une courant i. En dessous du noyau, à une distance de 1 mm, on place une sonde à effet Hall qui permet de mesurer la valeur de l'induction magnétique B de manière linéaire (Honeywell SS459). Cette bobine attire un aimant (NFeB) en dessous duquel on peut coller un objet léger (stylo par exemle).
La fonction de ce système est de réaliser la lévitation de l'objet. Le courant dans la bobine est régulé par un microcontrôleur et appliqué par un hacheur 4-quadrants de manière à ce que, si l'objet (et donc l'aimant) s'éloigne de la sonde à effet Hall, alors le courant i devient négatif et l'aimant est attiré. Au contraire si l'aimant s'approche trop, l'induction au niveau de la sonde magnétique s'inverse de sens et la régulation imposera un courant positif qui fera éloigner l'aimant.
Le processus de lévitation magnétique est naturellement instable et il convient d'apporter une régulation rapide pour maintenir en équilibre l'aimant et l'objet qui y est collé. On peut obtenir des distances de l'ordre du centimètre.
Nous utilisons un microcontrôleur
dsPIC 30F3010
de chez Microchip comme système numérique. Pour le hacheur 4 quadrant, nous avons utilisé le L298 de ST microelectronics dans une version initiale mais nous nous sommes tournée vers un onduleur triphasé avec diodes de roue libre intégrés (que nous utilisons en hacheur 4 Q) le L6234 dans la version "light" que nous présentons ici .
mots clefs : microcontrôleur dspic 30F3010, hacheur 4 quadrant, Bluetooth (profil SPP).
On remarque le connecteur ICD2 propriétaire (notre convention) qui permet d'avoir une solution en debuggage.
Maquette expérimentale :
Photos de la maquette expérimentale, cliquez pour zoomer :
Etude électromagnétique :
A l'aide du logiciel FEMM, nous cherchons à identifier l'induction B mesurée à 1 mm en dessous de la bobine (emplacement de la sonde Hall) et la force électromagnétique Fz qui s'exerce sur l'aimant.
Géométrie du système rentrée dans le logiciel de calcul de champ
Résultats d'un calcul de champ
Programmes accompagnateurs :
Nous proposons des programmes (livré en OpenSource)
Ces programmes permettent de commander à distance le montage et changer les paramètres du régulateur PID.